LR patents Nr. 13942 “Digitālu pelēko toņu attēlu analizators”. Izgudrotāji: I.Mednieks, A.Skaģeris. Īpašnieks: Elektronikas un datorzinātņu institūts. Publicēts 20.08.2009.
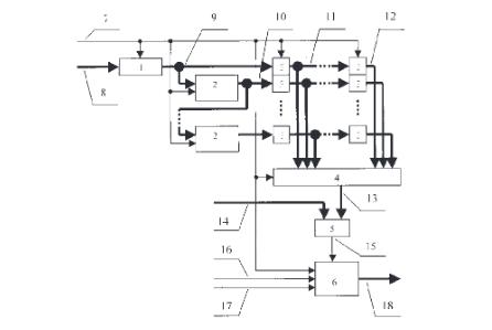
Digitālu pelēko toņu attēlu analizators, kas ieejās saņem attēla katra pikseļa gaišumam atbilstošu paralēlo kodu, pikseļu un rindu taktsignālus un satur filtru mainīgā fona izslēgšanai, kas atšķiras ar to, ka ir paredzēts vienlaicīgai attēla r rindu nepārtrauktai analīzei pa r x r pikseļu izmēra attēla fragmentiem un satur: r-1 virknē slēgtas FIFO tipa operatīvās atmiņas, kuru garums sakrīt ar pikseļu skaitu attēla rindā; r x r pikseļu paralēlā koda reģistrus; aritmētisko operāciju moduli, kas nepieciešams attēla fragmentu pikseļu kovariāciju raksturojošā koeficienta aprēķināšanai katram analizējamajam attēla fragmentam; koda komparatoru aprēķinātā koeficienta salīdzināšanai ar uz prakses pamata izvēlētu līmeni, lai attēlā atklātu par fonu tumšākus apgabalus, kas norāda uz svešķermeņu klātbūtni kontrolējamajā objektā; trauksmes signālierīci, kas bloķē iespējamos neīstos trauksmes signālus, kas var rasties analizējot ikvienas attēla rindu grupas pēdējos r-1 pikseļus, kad kopā ar šiem pikseļiem analizēti tiek nākamās jaunās attēla rindu grupas pirmie pikseļi, kas ģeometriski atrodas attēla pretējā pusē.

http://www.lrpv.gov.lv/sites/default/files/media/vestnesis/20090820.pdf